On December 31, 2021, the National Standards Management Committee of the State Administration for Market Regulation issued China National Standard Announcement No. 17 of 2021. This announcement contains the recommended national standard GB/T 17743-2021 "Limits and Measurement Methods of Radio Disturbance Characteristics of Electric Lighting and Similar Equipment", which will be officially implemented on July 1, 2022.
GB/T 17743-2021 is equivalent to the IEC international standard CISPR 15:2018, which is an important test basis for electrical lighting and similar equipment in terms of emission disturbances.
Scope of application
This standard applies to radio frequency disturbances emitted (radiated and conducted) by the following equipment
◆ Lighting equipment (3.3.16)
◆ One of the main functions is the lighting part of the multifunctional device for lighting
Note 1: Examples are lighting equipment for visible light communication, entertainment lighting
◆ UV and IR radiation equipment for residential and non-industrial applications
◆ Announcement logo
Note 2: Examples include neon signboards
◆ Decorative lighting
◆ Emergency signs
Major technical changes
Compared with the old standard GB/T 17743-2017, except for structural adjustment and editorial changes, the main technical changes are as follows:
1. The Scope chapter deletes the restrictions on the use of power supply and battery operation for appliances (see Chapter 1, Chapter 1 of the 2017 edition);
2. In the frequency range from 300 MHz to 1 GHz, introduce radiation disturbance limits (see Chapter 4, 4.4.2 of the 2017 edition);
3. Modified the expression of load terminal limit and CDNE (Alternative Method of Radiated Emission) limit (see Chapter 4, 4.3.2 of the 2017 edition);
4. Delete the insertion loss requirement and its related content in Appendix A (see 4.2 of the 2017 edition, Chapter 5, Chapter 7, Appendix A)
5. Introduce three basic ports: shell port, local wired port and wired network port (see 3.4.6, 3.4.10, 3.4.14, Chapter 4, Chapter 5, Appendix D)
6. The test methods of Appendix B (CDNE) have been replaced by the relevant test methods of the CISPR 16 series of standards with appropriate reference to the CISPR 16 series of standards (see 9.3.4.4, see Appendix B of the 2017 edition);
7. Revised the requirements for the metal hole of the tapered shell (see Figure A.2, Figure 7 of the 2017 edition);
8. A new method for measuring conducted disturbance of GU10 self-ballasted lamps has been added (see Appendix A.1);
9. Increase the current probe measurement method and the limits of various ports (except for the voltage limit and measurement method) (see Chapter 4);
10. Introduce the term "module" (instead of stand-alone accessory) and the measurement requirements using the mainframe (reference) system module (see 6.4);
11. Modified the specification of EUT stabilization time (see 7.8, 6.5.3 of the 2017 edition);
For large EUTs (>1.6 m), add the use of a 60 cm loop antenna magnetic field measurement method at a distance of 3 m (method of CISPR 14-1) as an alternative to 3 m and 4 m loop antenna systems (LLAS) (see 4.5 .2).
List of some key revisions
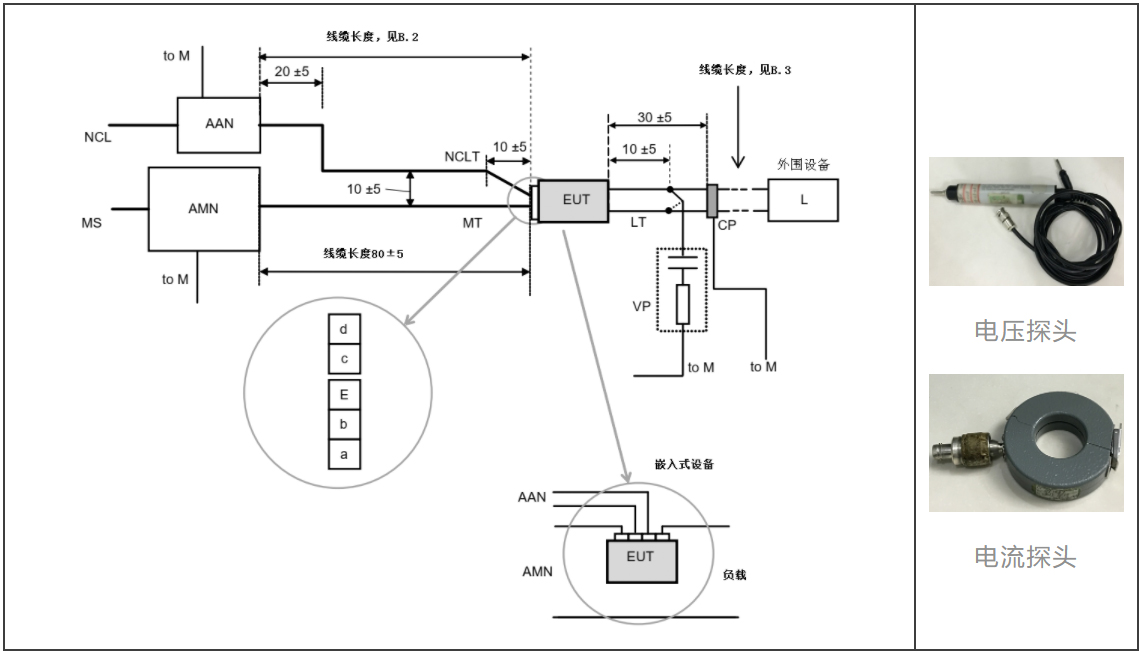
1. Measurement circuit layout diagram of independent dimming device, transformer or converter (adding current probe method);

2. Example of luminaire arrangement during radiation disturbance measurement (OATS, SAC or FAR);

3. New: The test frequency range is extended to 1GHz, and the equipment used in the independent method of radiation disturbance measurement (30MHz~300MHz) is changed from CDN to CDNE (equipment update);
4. Added: 60 cm loop antenna magnetic field measurement method;
5. Increase the physical interface process judgment of EUT;
6. Increase the determination process for EUT application limits.
ZRLK has been focusing on the testing and certification of consumer electronic and electrical products in 18 years, always paying attention to the changes in regulations of various countries, and providing customers with one-stop testing and certification services to ensure that your products can quickly enter the target market. If you have electronic and electrical products and batteries or consumer smart products containing batteries that need to be tested and certified, please feel free to contact us, our engineers will serve you as soon as possible!